Этал

ПМЛ-4160ДМ

Фото: 

Изделие: ПМЛ-4160ДМ

Модель: ПМЛ-4160ДМ

Контактор нереверсивный без оболочки, без теплового реле, со степенью защиты IP20, c переменным током цепи управления.

Номинальное напряжение по изоляции, В – 660

Номинальный ток главной цепи, А – 80

Номинальное напряжение втягивающей катушки –110,220,380,400,415,440, 60гц.

Мощность, потребляемая катушкой контактора включения/удержания ВА – 200±35/20±4

Характеристики(фото): 

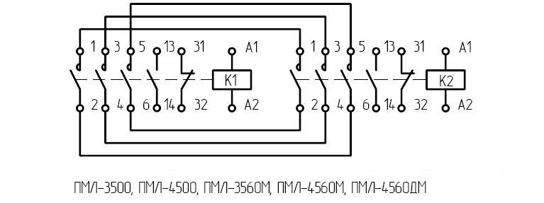
ПМЛ-4560ДМ

Фото: 

Изделие: ПМЛ-4560ДМ

Модель: ПМЛ-4560ДМ

Контактор реверсивный без оболочки, без теплового реле, со степенью защиты IP20, c переменным током цепи управления.

Номинальное напряжение по изоляции, В – 660

Номинальный ток главной цепи, А – 80

Номинальное напряжение втягивающей катушки –24,40,48,110,127,220,230,240,380,400,415,500,660, 50Гц.

Мощность, потребляемая катушкой контактора, включения/удержания, ВА 200±35/20±4

Характеристики(фото): 

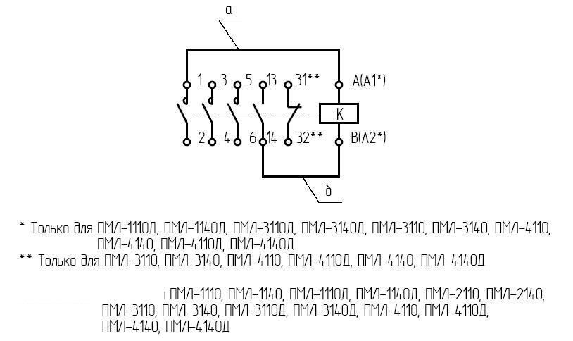
ПМЛ-4100

Фото: 

Изделие: ПМЛ-4100

Модель: ПМЛ-4100

Контактор нереверсивный без оболочки, без теплового реле, со степенью защиты IP00, c переменным током цепи управления.

Номинальное напряжение по изоляции, В – 660

Номинальный ток главной цепи, А –63

Номинальное напряжение втягивающей катушки –24,36,40,48,110,127,220,230,240,380,400,415,500,660, 50гц.

Мощность, потребляемая катушкой контактора, включения/удержания, ВА – 200±35/20±4

Характеристики(фото): 

ПМЛ-4140

Фото: 

Изделие: ПМЛ-4140

Модель: ПМЛ-4140

Контактор нереверсивный в оболочке, без теплового реле, со степенью защиты IP40, c переменным током цепи управления.

Номинальное напряжение по изоляции, В – 660

Номинальный ток главной цепи, А – 63

Номинальное напряжение втягивающей катушки – 24,36,40,48,110, 127,220,230,240,380,400,415,500,660 50гц.

-Мощность, потребляемая катушкой контактора, включения/удержания, ВА – 200±35/20±4 

Характеристики(фото): 

ПМЛ-4160М

Фото: 

Изделие: ПМЛ-4160М

Модель: ПМЛ-4160М

Контактор нереверсивный без оболочки, без теплового реле, со степенью защиты IP20, c переменным током цепи управления.

Номинальное напряжение по изоляции, В – 660

Номинальный ток главной цепи, А – 63

Номинальное напряжение втягивающей катушки –24,36,40,48,110,127,220,230,240,380,400,415,500,660, 50гц.

Мощность, потребляемая катушкой контактора, включения/удержания, ВА – 200±35/20±4

Характеристики(фото): 

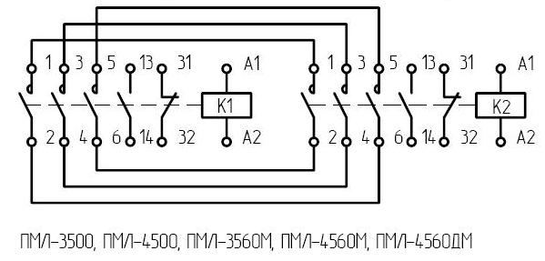
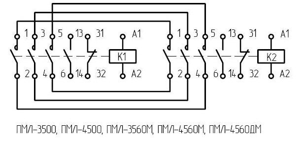
ПМЛ-4500

Фото: 

Изделие: ПМЛ-4500

Модель: ПМЛ-4500

Контактор реверсивный без оболочки, без теплового реле, со степенью защиты IP00, c переменным током цепи управления . 

Номинальное напряжение по изоляции, В – 660

Номинальный ток главной цепи, А – 63

Номинальное напряжение втягивающей катушки –24,36,40,48,110,127,220,230,240,380,400,415,500,660, 50Гц.

Мощность, потребляемая катушкой контактора, включения/удержания, ВА – 200±35/20±4

Характеристики(фото): 
прайс: 

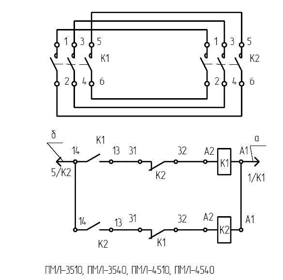
ПМЛ-4540

Фото: 

Изделие: ПМЛ-4540

Модель: ПМЛ-4540

Контактор реверсивный в оболочке, без теплового реле, со степенью защиты IP40, c переменным током цепи управления .

Номинальное напряжение по изоляции, В – 660

Номинальный ток главной цепи, А – 63

Номинальное напряжение втягивающей катушки – 110,220,380,400,415,440, 60гц.

Мощность, потребляемая катушкой контактора, рабочая/пусковая, ВА – 20±4/200±35

Характеристики(фото): 

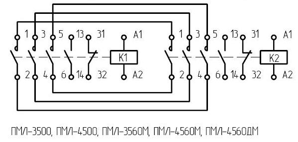
ПМЛ-4560М

Фото: 

Изделие: ПМЛ-4560М

Модель: ПМЛ-4560М

Контактор реверсивный без оболочки, без теплового реле, со степенью защиты IP20, c переменным током цепи управления.

Номинальное напряжение по изоляции, В – 660

Номинальный ток главной цепи, А – 63

Номинальное напряжение втягивающей катушки –24,36,40,48,110,127,220,230,240,380,400,415,500,660, 50Гц.

Мощность, потребляемая катушкой контактора, рабочая/пусковая, ВА 20±4/200±35

Характеристики(фото): 

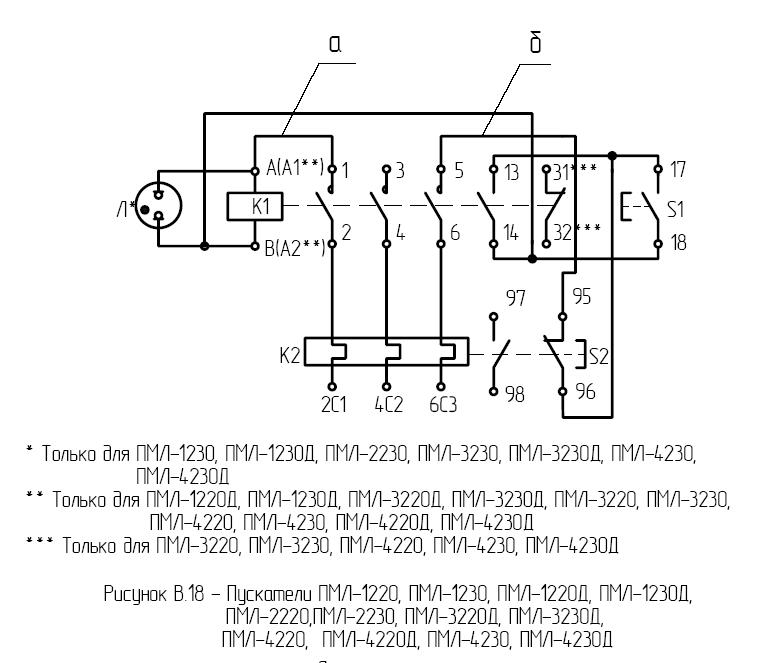
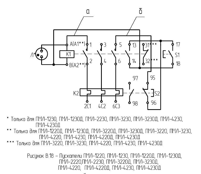
ПМЛ-4220

Фото: 

Изделие: ПМЛ-4220

Модель: ПМЛ-4220

Пускатель нереверсивный в оболочке, с тепловым реле, со степенью защиты IP54, c переменным током цепи управления, с кнопкой - пуск-реле.

Номинальное напряжение по изоляции, В – 660

Номинальный ток главной цепи, А – 63

Номинальное напряжение втягивающей катушки – 24,36,40,48,110, 127,220,230,240,380,400,415,500,660 50гц.

-Мощность, потребляемая катушкой пускателя, включения/удержания, ВА – 200±35/20±4

Характеристики(фото): 

ПМЛ-4230

Фото: 

Изделие: ПМЛ-4230

Модель: ПМЛ-4230

Пускатель нереверсивный в оболочке, с тепловым реле, со степенью защиты IP54, c переменным током цепи управления, с кнопкой  пуск-реле, и сигнальной лампой.

Номинальное напряжение по изоляции, В – 660

Номинальный ток главной цепи, А – 63

Номинальное напряжение втягивающей катушки – 127,220,380В 50гц.

-Мощность, потребляемая катушкой пускателя, включения/удержания, ВА – 200±35/20±4

Характеристики(фото): 

Наш інтернет-магазин

Интернет-магазин

ПП Тренінг

Продукция

Услуги

  • Монтаж, обслуживание приборов КИПиА, устройств автоматизации производственных процессов.
  • Ремонт электро-, радиоизмерительных приборов, КИПиА.
  • Услуги электроизмерительной лаборатории.

Наши партнеры