Выключатели/Switches ВП73

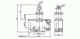
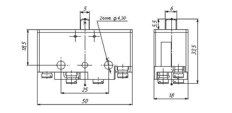
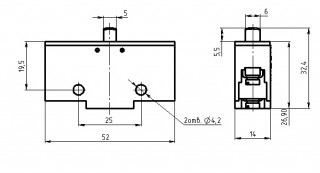
Выключатель/Switche ВП73 10111А 00УХЛ3

Фото: 
габаритные размеры 52х32,4х14,0
Характеристики(фото): 

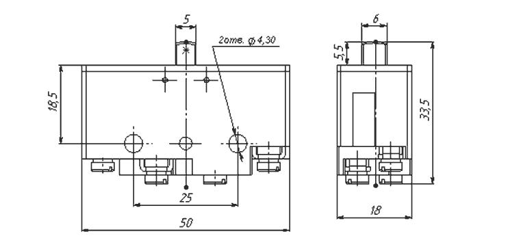
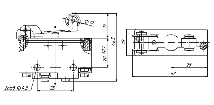
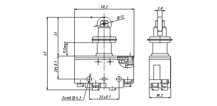
Выключатель/Switche ВП73 10711А 00УХЛ3

Фото: 
габаритные размеры 52х46,5х18,2
Характеристики(фото): 

Наш інтернет-магазин

Интернет-магазин

ПП Тренінг

Продукция

Услуги

  • Монтаж, обслуживание приборов КИПиА, устройств автоматизации производственных процессов.
  • Ремонт электро-, радиоизмерительных приборов, КИПиА.
  • Услуги электроизмерительной лаборатории.

Наши партнеры