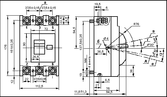
Ульяновск Контактор (АЗ 3790, ВА)

ВА 57ф35

Фото: 

ВА 57ф35 - серия автоматических выключателей, предназначенных для проведения тока в нормальном режиме и отключения тока при коротких замыканиях, перегрузках и недопустимых снижениях напряжения, а также для нечастых (до 30 в сутки) оперативных включений и отключений электрических цепей.
Допускается использовать выключатели для нечастых прямых пусков и защиты асинхронных электродвигателей в режиме АС-3 по ГОСТ 12434-83.

Характеристики(фото): 

ВА51-39

Фото: 

Автоматические выключатели широкого применения. Используются (в составе аппаратуры распределения электроэнергии) для защиты потребителей в общественных зданиях в качестве аппарата средней мощности, в щитах серии ЩО70.

ВА51 и ВА52

Фото: 

ВА51 и ВА52 - серии автоматических выключателей, предназначенных для проведения тока в нормальном режиме и отключения тока при коротких замыканиях, перегрузках и недопустимых снижениях напряжения, а также для нечастых (до 6 в сутки) оперативных включений и отключений электрических цепей. Допускается использовать выключатели для нечастых прямых пусков и защиты асинхронных электродвигателей.

Характеристики(фото): 

ВА 51-25

Фото: 

Выключатель автоматический ВА 51-25

Автоматические выключатели типа ВА 51-25 предназначены для защиты электрических цепей от токов перегрузки и токов короткого замыкания и для коммутации электрических цепей в нормальном режиме напряжением до 380В переменного тока частоты 50, 60 Гц, а также для оперативных включений и отключений указанных электрических цепей с частотой до 30 включений в час.

Виды климатических исполнений УХЛ,Т категории 3 по ГОСТ 15150.

Выключатели выпускаются по ТУ 16-552.157-97 и соответствуют ГОСТ Р50030.2 и ГОСТ 30011.2

Характеристики(фото): 

АК63 (ВА 21)

Фото: 

Автоматические выключатели серии АК63 (ВА 21) предназначены для защиты электрических цепей от перезагрузок и коротких замыканий, оперативных включений и отключений этих цепей (в том числе асинхронных двигателей) и проведения тока в номинальном режиме.

Выключатели изготавливаются трех типов: ВА 21–29 – со средней отключающей способностью; ВА 21-29В – с повышенной отключающей способностью; ВА 21-29Т – для городского транспорта (однополюсные в трехполюсном габарите).

Характеристики(фото): 

ВА4729

Фото: 

ИЭК ВА4729 - предназначены для защиты силовых и осветительных распределительных сетей от токов перегрузки и при токах короткого замыкания. Он может также использоваться для защиты линий питания электродвигателей и другого оборудования.

Характеристики(фото): 

BA6026

Фото: 

BA6026 - миниатюрные автоматические выключатели предназначены для ручного включения и отключения цепи напряжением 220/380 В, а также защиты электрических сетей и асинхронных электродвигателей в аварийных режимах путем автоматического отключения. Соответствуют требованиям ТУ16-90 ИГКЖ.641252.231ТУ.

Характеристики(фото): 

BА51-39

Фото: 

Выключатели предназначены для проведения тока в нормальном режиме и отключения тока при коротких замыканиях, перегрузках и недопустимых снижениях напряжения, а также для нечастых (до 6 в сутки) оперативных включений и отключений электрических цепей и рассчитаны для эксплуатации в электроустановках с номинальным напряжением до 660 В переменного тока частоты 50 и 60 Гц и до 440 В постоянного тока.

А3790

Фото: 

Выключатели предназначены для проведения тока в нормальном режиме и отключения тока при коротких замыканиях, перегрузках и недопустимых снижениях напряжения, а также для нечастых (до 6 в сутки) оперативных включений и отключений электрических цепей и рассчитаны для эксплуатации в электроустановках с номинальным напряжением до 440 В постоянного тока и напряжением 380 и 660 В переменного тока частоты 50 и 60 Гц.

Допускается использовать выключатели для нечастых прямых пусков асинхронных электродвигателей.

Наш інтернет-магазин

Интернет-магазин

ПП Тренінг

Продукция

Услуги

  • Монтаж, обслуживание приборов КИПиА, устройств автоматизации производственных процессов.
  • Ремонт электро-, радиоизмерительных приборов, КИПиА.
  • Услуги электроизмерительной лаборатории.

Наши партнеры