Этал

ПМЛ-3100

Фото: 

Изделие: ПМЛ-3100

Модель: ПМЛ-3100

Пускатель нереверсивный без оболочки, без теплового реле, со степенью защиты IP00, c переменным током цепи управления, с одним замыкающим контактом вспомогательной цепи контактора .

Номинальное напряжение по изоляции, В – 660

Номинальный ток главной цепи, А – 40

Номинальное напряжение втягивающей катушки –24,36,40,48,110,127,220,230,240,380,400,415,500,660, 50гц.

Мощность, потребляемая катушкой контактора, включения/удержания, ВА – 200±35/20±4

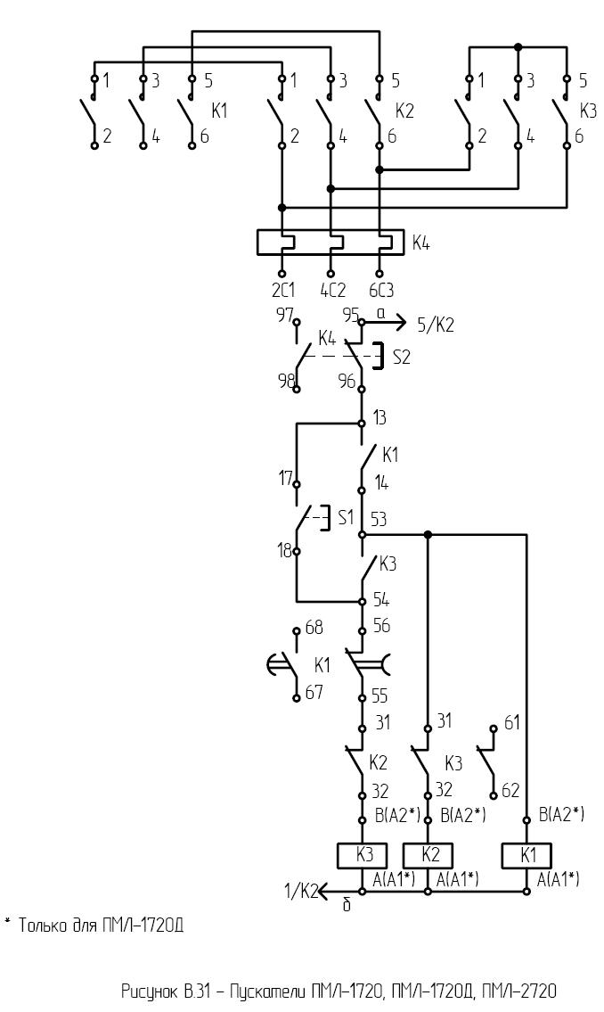
ПМЛ-2720

Фото: 

Изделие: ПМЛ-2720

Модель: ПМЛ-2720

Пускатель  звезда-треугольник в  оболочке, с тепловым реле, с кнопками пуск,реле-стоп, со степенью защиты  IP54 c переменным током цепи управления.

Номинальное напряжение по изоляции, В – 660

Номинальный ток главной цепи, А - 25

Номинальное напряжение втягивающей катушки –110,220,380,400,415,440, 60гц.

Мощность, потребляемая катушкой пускателя, включения/удержания, ВА – 87±13/ 7,6±1,4

Характеристики(фото): 

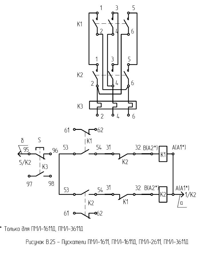
ПМЛ-2611

Фото: 

Изделие: ПМЛ-2611

Модель: ПМЛ-2611

Пускатель реверсивный в оболочке, с тепловым реле, со степенью защиты IP54, с кнопкой стоп-реле c переменным током цепи управления .

Номинальное напряжение по изоляции, В – 660

Номинальный ток главной цепи, А – 25

Номинальное напряжение втягивающей катушки – 110,220,380,400,415,440, 60гц.

Мощность, потребляемая катушкой пускателя, включения/удержания, ВА – 87±13/ 7,6±1,4

Характеристики(фото): 

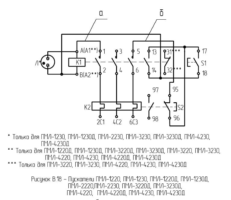
ПМЛ-2230

Фото: 

Изделие: ПМЛ-2230

Модель: ПМЛ-2230

Пускатель нереверсивный в оболочке, с тепловым реле, со степенью защиты IP54, c переменным током цепи управления, с кнопкой  пуск-реле, и сигнальной лампой.

Номинальное напряжение по изоляции, В – 660

Номинальный ток главной цепи, А – 25

Номинальное напряжение втягивающей катушки –127,220,380, 50гц.

-Мощность, потребляемая катушкой пускателя, включения/удержания, ВА – 87±13/ 7,6±1,4

Характеристики(фото): 

ПМЛ-2220

Фото: 

Изделие: ПМЛ-2561ДМ
Изделие: ПМЛ-2220

Модель: ПМЛ-2220

Пускатель нереверсивный в оболочке, с тепловым реле, со степенью защиты IP54, c переменным током цепи управления, с кнопкой  пуск-реле.

Номинальное напряжение по изоляции, В – 660

Номинальный ток главной цепи, А – 25

Номинальное напряжение втягивающей катушки –24,36,40,48,110,127,220,230,240,380,400,415,500,660, 50гц.

-Мощность, потребляемая катушкой пускателя, включения/удержания, ВА – 87±13/ 7,6±1,4

Характеристики(фото): 

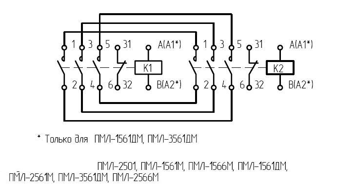
ПМЛ-2561ДМ

Фото: 

Модель: ПМЛ-2561М

Контактор реверсивный без оболочки, без теплового реле, со степенью защиты IP20, c переменным током цепи управления, с одним размыкающим контактом вспомогательной цепи контакторов, с уменьшенными весогабаритными показателями с возможностью крепления как на стандартную рейку, так и винтами на плоскости.

Номинальное напряжение по изоляции, В – 660

Номинальный ток главной цепи, А – 25

Номинальное напряжение втягивающей катушки –110,220,380,400,415,440 60Гц.

ПМЛ-2561М

Фото: 

Изделие: ПМЛ-2561М

Модель: ПМЛ-2561М

Контактор реверсивный без оболочки, без теплового реле, со степенью защиты IP20, c переменным током цепи управления.

Номинальное напряжение по изоляции, В – 660

Номинальный ток главной цепи, А – 25

Номинальное напряжение втягивающей катушки –110,220,380,400,415,440 60Гц.

Мощность, потребляемая катушкой контактора, включения/удержания, ВА – 87±13/ 7,6±1,4

Характеристики(фото): 

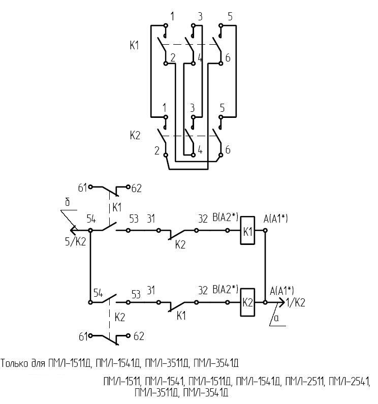
ПМЛ-2511

Фото: 

Изделие: ПМЛ-2511

Модель: ПМЛ-2511

Контактор реверсивный в оболочке, без теплового реле, со степенью защиты IP54, c переменным током цепи управления .

Номинальное напряжение по изоляции, В – 660

Номинальный ток главной цепи, А – 25

Номинальное напряжение втягивающей катушки –110,220,380,400,415,440, 60гц.

Мощность, потребляемая катушкой контактора, включения/удержания, ВА – 87±13/7,6±1,4

Характеристики(фото): 

ПМЛ-2501

Фото: 

Изделие: ПМЛ-2501

Модель: ПМЛ-2501

Контактор реверсивный без оболочки, без теплового реле, со степенью защиты IP00, c переменным током цепи управления.
Номинальное напряжение по изоляции, В – 660

Номинальный ток главной цепи, А – 25

Номинальное напряжение втягивающей катушки –110,220,380,400,415,440 60Гц.

Мощность, потребляемая катушкой контактора, включения/удержания ВА – 87±13/7,6±1,4

Характеристики(фото): 

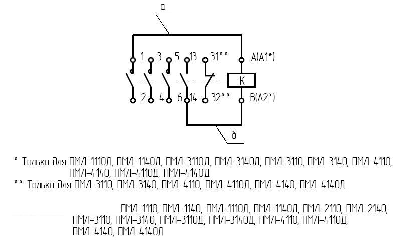
ПМЛ-2140

Фото: 

Изделие: ПМЛ-2140

Модель: ПМЛ-2140

Контактор нереверсивный в оболочке, без теплового реле, со степенью защиты IP40, c переменным током цепи управления .

Номинальное напряжение по изоляции, В – 660

Номинальный ток главной цепи, А – 25

Номинальное напряжение втягивающей катушки –24,36,40,48,110,127,220,230,240,380,400,415,500,660, 50гц.

-Мощность, потребляемая катушкой контактора, включения/удержания, ВА – 87±13/ 7,6±1,4

Характеристики(фото): 

Наш інтернет-магазин

Интернет-магазин

ПП Тренінг

Продукция

Услуги

  • Монтаж, обслуживание приборов КИПиА, устройств автоматизации производственных процессов.
  • Ремонт электро-, радиоизмерительных приборов, КИПиА.
  • Услуги электроизмерительной лаборатории.

Наши партнеры