Выключатели ВП21

Выключатели путевые ВП21 Климатическое исполнение УXЛ4, О4, Т2, У2 ,ТУ У3.12-00216875-018-96 Назначение Выключатели предназначены для коммутации электрических цепей управления переменного напряжения до 660 В, частоты 50 и 60 Гц., и постоянного напряжения до 440 В, под воздействием управляющих упоров в определенных точках пути контролируемого объекта.

Выключатель ВП21А-221П 55У2.3

Фото: 
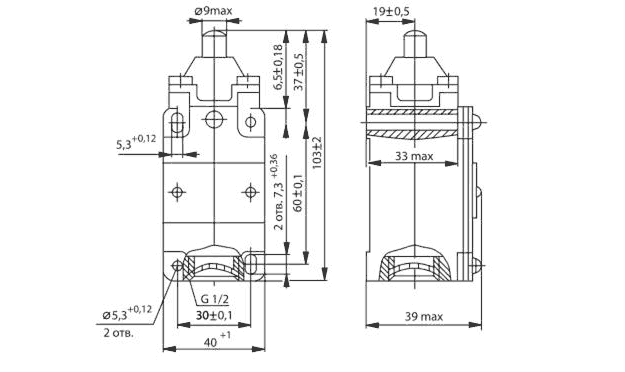
габаритные размеры 117х40х46
Характеристики(фото): 

Наш інтернет-магазин

Интернет-магазин

ПП Тренінг

Продукция

Услуги

  • Монтаж, обслуживание приборов КИПиА, устройств автоматизации производственных процессов.
  • Ремонт электро-, радиоизмерительных приборов, КИПиА.
  • Услуги электроизмерительной лаборатории.

Наши партнеры