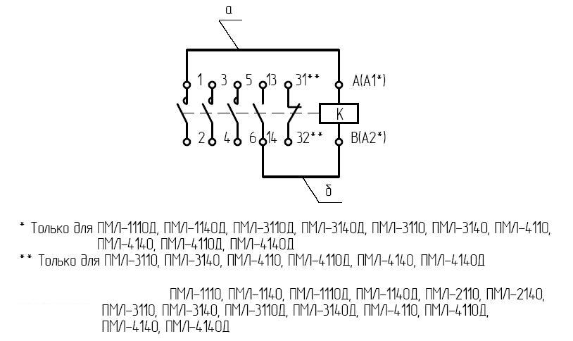
Контакторы на номинальный ток 10А

ПМЛ-1501

Фото: 

Изделие: ПМЛ-1501

Модель: ПМЛ-1501

Контактор реверсивный без оболочки, без теплового реле, со степенью защиты IP00, c переменным током цепи управления .

Номинальное напряжение по изоляции, В – 660

Номинальный ток главной цепи, А – 10

Номинальное напряжение втягивающей катушки – 24,36,40,48,110,127,220,230,240,380,400,415,500,660, 50гц.

Мощность, потребляемая катушкой контактора, рабочая/пусковая, ВА –  8±1,8/68±8,0

Характеристики(фото): 

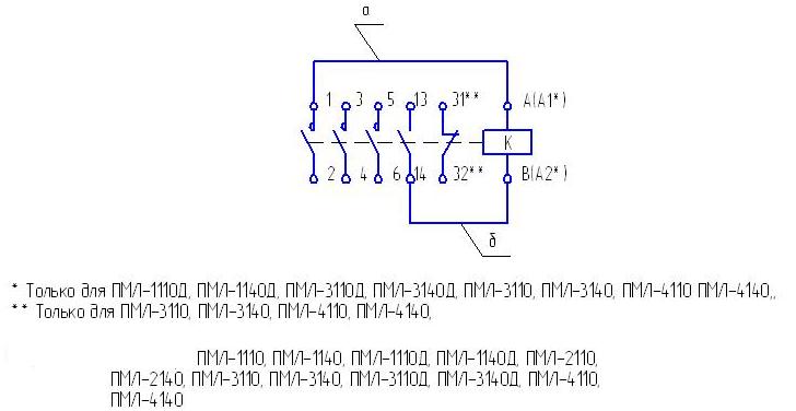
ПМЛ-1161М

Фото: 

Изделие: ПМЛ-1161М

Модель: ПМЛ-1161М

Контактор нереверсивный без оболочки, без теплового реле, со степенью защиты IP20, c переменным током цепи управления.

При использовании приставок ПКЛ и ПКБ, можно получить другие числа и исполнения контактов вспомогательной цепи”.

Номинальное напряжение по изоляции, В – 660

Номинальный ток главной цепи, А – 10

Номинальное напряжение втягивающей катушки –24,36,40,48,110,127,220,230,240,380,400,415,500,660, 50гц.

Характеристики(фото): 

ПМЛ-1160М

Фото: 

Изделие: ПМЛ-1160М

Модель: ПМЛ-1160М

Номинальное напряжение по изоляции, В – 660

Номинальный ток главной цепи, А – 10

Номинальное напряжение втягивающей катушки –24,36,40,48,110,127,220,230,240,380,400,415,500,660, 50гц.

-Мощность, потребляемая катушкой контактора, включения/удержания, ВА –68±8,0/ 8±1,8

-Номинальный рабочий ток, А (категория применения АС-3) при напряжениях 380, 550, 660 – 10, 10, 6

Характеристики(фото): 

ПМЛ-1140

Фото: 

Изделие: ПМЛ-1140

Модель: ПМЛ-1140

Контактор нереверсивный в оболочке, без теплового реле, со степенью защиты IP40, 
c переменным током цепи управления .

При использовании приставок ПКЛ и ПКБ, можно получить другие числа и исполнения контактов вспомогательной цепи”.

Номинальное напряжение по изоляции, В – 660

Номинальный ток главной цепи, А – 10

Номинальное напряжение втягивающей катушки –24,36,40,48,110,127,220,230,240,380,400,415,500,660, 50гц.

Характеристики(фото): 

ПМЛ-1110

Фото: 

Изделие: ПМЛ-1110

Модель: ПМЛ-1110

Контактор нереверсивный в оболочке, без теплового реле, со степенью защиты IP54, c переменным током цепи управления.

Номинальный ток главной цепи, А – 10

Номинальное напряжение по изоляции, В – 660

Номинальное напряжение втягивающей катушки –24,36,40,48,110,127,220,230,240,380,400,415,500,660, 50гц.

-Мощность, потребляемая катушкой контактора, включения/удержания, ВА – 68±8,0/8±1,8

Характеристики(фото): 

ПМЛ-1101

Фото: 

Изделие: ПМЛ-1101

Модель: ПМЛ-1101

Контактор нереверсивный без оболочки, без теплового реле, со степенью защиты IP00, c переменным током цепи управления.

Номинальное напряжение по изоляции, В – 660

Номинальный ток главной цепи, А – 10

Номинальное напряжение втягивающей катушки –24,36,40,48,110,127,220,230,240,380,400,415,500,660, 50гц.

Мощность, потребляемая катушкой контактора, включения/удержания, ВА –68±8,0/8±1,8

Характеристики(фото): 

ПМЛ-1100

Фото: 

Изделие: ПМЛ-1100

Модель: ПМЛ-1100

Контактор нереверсивный без оболочки, без теплового реле, со степенью защиты IP00, c переменным током цепи управления.

Номинальное напряжение по изоляции, В – 660

Номинальный ток главной цепи, А – 10

Номинальное напряжение втягивающей катушки –24,36,40,48,110,127,220,230,240,380,400,415,500,660, 50гц.

Мощность, потребляемая катушкой контактора, включения/удержания, ВА – 68±8,0/8±1,8

Характеристики(фото): 

Наш інтернет-магазин

Интернет-магазин

ПП Тренінг

Продукция

Услуги

  • Монтаж, обслуживание приборов КИПиА, устройств автоматизации производственных процессов.
  • Ремонт электро-, радиоизмерительных приборов, КИПиА.
  • Услуги электроизмерительной лаборатории.

Наши партнеры