- Монтаж, обслуживание приборов КИПиА, устройств автоматизации производственных процессов.
- Ремонт электро-, радиоизмерительных приборов, КИПиА.
- Услуги электроизмерительной лаборатории.
моб. (093)-878-98-30 тел. (0332)788-092, 788-993
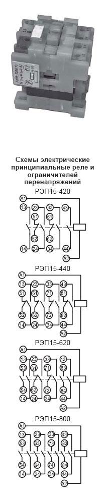
Реле промежуточные серии РЭП 15 предназначены для применения в цепях управления электроприводами во всех отраслях народного хозяйства, кроме подвижных устройств и условий с агрессивными средами.
Контакты реле предназначены для коммутаций цепей переменного тока номинальным напряжением до 660 В частоты 50(60) Гц и постоянного тока номинальным напряжением до 220 В.
Реле допускают применение в качестве магнитного пускателя для управления маломощными двигателями переменного тока.
Реле, комплектуемые ограничителями перенапряжений, пригодны для работы в системах управления с применением микропроцессорной техники.
Ограничители перенапряжений ограничивают коммутационные перенапряжения на зажимах катушки реле до величины:
на катушке постоянного тока - не более 2-кратного номинального;
на катушке переменного тока - не более 2-кратного амплитудного значения для напряжений 110, 220, 380 В и 4-кратного амплитудного значения для напряжений 24 и 48 В (с учетом допустимого увеличения напряжения до 110% номинального значения)
г. Луцк ул. Ровенская 76-а офис 102 (Луцкпластмас)
моб. (093)-878-98-30 тел. (0332)788-092, 788-993



